

全国免费客服电话 0519-86578911 邮箱:wokclutch@aliyun.com
手机:13506119400
电话:0519-86578911
地址:常州新北区禾佳路9号
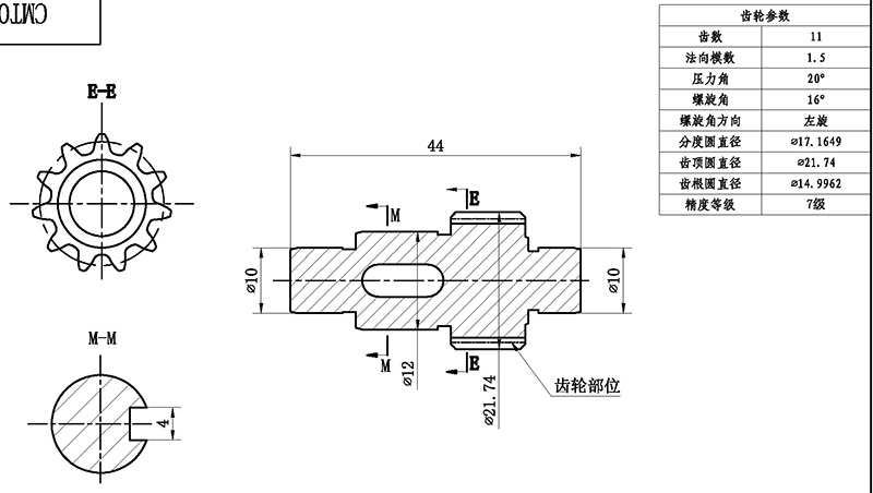
CMT03-G小齿轴技术参数型称长度齿数模数压力角螺旋角及旋向分度圆直径齿顶圆直径齿根圆直径精度等级CMT03-G小齿轴44111.52016,左旋17.164
产品详情

| CMT03-G小齿轴技术参数 | |||||||||
| 型称 | 长度 | 齿数 | 模数 | 压力角 | 螺旋角及旋向 | 分度圆直径 | 齿顶圆直径 | 齿根圆直径 | 精度等级 |
| CMT03-G小齿轴 | 44 | 11 | 1.5 | 20° | 16°,左旋 | 17.1649 | 21.74 | 14.9962 | 7级 |
一、产品基本信息
产品型号:CMT03-G小齿轴
生产厂商:WOK鼎森传动
核心参数:长度44、齿数11、模数1.5、压力角20°、螺旋角16°(左旋)、分度圆直径17.1649、齿顶圆直径21.74、齿根圆直径14.9962、精度等级7级
材料:38CrMoA1A
核心适配:CMT03-G中置电机齿轮
二、核心产品特性
• 高精度传动保障:采用7级精度等级标准,精准控制齿形、齿距误差,确保与配合部件啮合紧密,大幅降低传动间隙与动力损耗,提升传动效率与稳定性,适配精密动力传输需求。
• 优质材料赋能:选用38CrMoA1A材料,该材料具备优异的高强度、高韧性及耐磨性,同时拥有良好的抗腐蚀性能,能适应长期高频传动工况,有效延长产品使用寿命。
• 科学结构设计:优化设定20°压力角与16°左旋螺旋角,传动过程中受力均匀,运行平稳性突出,可显著降低传动噪音与部件磨损;合理的模数及直径参数搭配,进一步提升了产品的适配兼容性与安装便捷性。
三、适配应用场景
• 核心适配:CMT03-G中置电机齿轮配套使用
• 小型工业自动化设备传动:如小型皮带输送机、自动贴标机、精密分拣机的内部传动结构,7级精度与平稳传动特性可满足自动化设备的精准运行要求。
• 轻型电动工具动力传输:适配大功率电动扳手、重型切割机等工具的动力输出组件,38CrMoA1A材料的高强度特性可承受大扭矩传动,保障工具作业稳定性。
• 精密仪器传动模块:如小型检测仪器、实验室自动化设备的传动部件,高精度与低噪音传动优势,能适配仪器对运行精准度的严苛要求。
•小型农业机械辅助传动:如微型耕耘机、便携式播种机的动力传动机构,材料的耐磨性与抗腐蚀性能可适配户外复杂作业环境,保障设备稳定运行。
相关推荐